7 кроків до безпеки разом з SIG-3

Якщо Ви придбали охоронний прилад SIG-3 та бажаєте налаштувати його самостійно та швидко, ця стаття саме для Вас.
Пристрій сполучення об'єднання єктовий SIG-3 є бюджетним охоронним приладом, призначений для охорони невеликих об'єктів, таких як дачі, квартири, гаражі, офісні приміщення, кіоски, тощо. Керування приладом здійснюється за допомогою релейної клавіатури або мобільного телефону. SIG-3 може використовуватись як для пультової, так і для автономної охорони з передачею SMS-повідомлень на мобільний телефон.
КРОК 1. Встановлення сповіщувачів
Для забезпечення надійної охорони приміщень найчастіше використовуються наступні типи сповіщувачів: магнітоконтакти (сповіщувачі відкриття), сповіщувачі руху, сповіщувачі розбиття скла, комбіновані сповіщувачі (руху та розбиття), сповіщувачі затоплення, сповіщувач пожежі тощо .
Для звукового оповіщення про тривогу використовуються бузку.

При монтажі магнітоконтактів, рекомендується використовувати по два комплект на одну точку, що з'єднання єднані паралельно.

В полі дії сповіщувача руху не повинно бути ніяких перешкод.
Сповіщувач руху необхідно розташувати перпендикулярно до траєкторії руху можливого порушника, бо якщо повільно рухатись у напрямку до сповіщувача не перетинаючи зони, то сповіщувач може не спрацювати.
Не рекомендується направляти сповіщувач руху на вікно (не бажаний вплив прямих сонячних променів), або розташовувати біля кондиціонерів, калориферів, відкритих вікон, нагрівальних приладів. Це може стати причиною хибних спрацювань.

Вони можуть працювати в двох режимах: детекції удару (спрацьовують на будь-який гучний звук) та детекції розбиття скла (розпізнається послідовність низького тону-удар, а слідом високого тону – звук битого скла).
Комбіновані Сповіщувачі руху та розбиття
Широко розповсюджені, але мають один недолік: мікрофон сповіщувача розбиття скла необхідно направляти на вікно, а сповіщувач руху направляти на вікно не рекомендовано, бо це може стати причиною хибних спрацювань від прямих сонячних променів.

Широко використовуються як в системах охорони для комплексної безпеки майна, так і в автоматичних системах аварійного відключення подачі води на таких об'єктах як котельні, бойлерні, а також у складських приміщеннях, заміських будинках, дачах, у ванних кімнатах.
Встановлюються в місцях можливого витоку води (під батареями, трубами водопостачання). Спрацьовує при потраплянні вологи на контактні пластини.

Пожежні сповіщувачі встановлюються мінімум по 2 на приміщення та з'єднання єднуються послідовно.

Бузку використовують для внутрішньої та зовнішньої установки. Бузку для систем охорони, як правило, підключаються до ланцюга постійного струму 12В.
При виборі бузку треба пам " ятати про струм споживання. Якщо струм споживання не перевищую 250мА, то можна підключати безпосередньо до SIG-3, інакше – треба використовувати проміжнє реле (крок 2).
КРОК 2. Комутація сповіщувачів
Для комутації сповіщувачів рекомендовано використовувати багатожильний медяний дріт. Розповсюджений кабель 4х0.22 (4 жили 0.22 мм в перетині) або 6х0.22 (6 жив по 0.22 мм в перетині). Якщо довжина кабелю перевищує 20 метрів або кабель перетинається з джерелом можливих електро-магнітних завад, то рекомендовано використовувати екранований кабель.
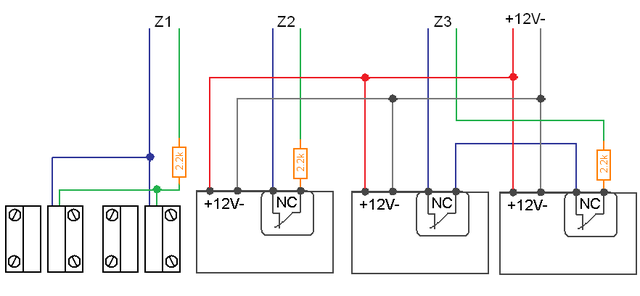
Принцип спрацювання всіх сповіщувачів такий: якщо стан сповіщувача не порушений, то контакт замкнений (частіше за все має написи NC або RELEY). При порушенні стану – контакт розмикається.
Якщо в одному шлейфі об'єднання з'єднано декілька сповіщувачів, то виходи спрацювання під'єднуються послідовно, а живлення – паралельно.
В кінці кожного шлейфу підключається кінцевий резистор 2.2 кОм. Інакше, за відсутності реле, зловмисник може закоротити шлейф і заблокувати всі тривоги від сповіщувачів. Наявність резистора дозволяє розрізняти коротке замикання та нормальний стан шлейфу.

На малюнку показані варіанти підключення шлейфів з використанням кінцевого резистора. Магнітоконтакти не потребують додаткового живлення, два магнітоконтакти зони 1 з'єднання єднані між собою паралельно, але послідовно підключений кінцевий резистор. На шлейфі зони 2 ліше один сповіщувач запитаний напругою 12 Вольт. На шлейфі зони 3 є два сповіщувача, дроти шлейфів проходять через контакти NC послідовно, живлення під'єднується паралельно.
КРОК 3. Підключення контролю доступу до пристрою
Якщо Ви плануєте ставити SIG-3 під охорону або знімати з охорони за допомогою мобільного телефону, то цей крок можна пропустити.
Якщо ж ви бажаєте мати додаткову можливість постановки під охорону та зняття з охорони, то можливе використання пристроїв контролю доступом з релейними контактами. Такими пристроями можуть бути кодові замки (клавіатури), зчитувачи proxy-карт з релейними виходами, радіоканальні пристрої керування, тощо.
Проте, бувають випадки, коли мобільний телефон розряджається або з технічних причин, через проблеми у оператора мобільного зв'язку втрачається можливість керування приладом. Для подібних випадків рекомендується викорисовувати просту кнопку, сховану від сторонніх осіб.
Релейні контакти пристрою контролю або кнопка доступом під'єднуються до входу LINE через резистор 2.2 кОм. Використання резистора обов'язкове!!!
КРОК 4. Підключення змонтованої системи до SIG-3
Коли всі сповіщувачу змонтовані, настав час під'єднати всі до охоронного приладу SIG-3.
З'єднання єднання відбуваються згідно малюнку. Під час монтажу слід пам " ятати про правила техніки безпеки під час під'єднання кабелю 220В.
Акумулятор використовується 12 Вольт, 7 Ампер/годин.

Якщо пристрій контролю доступом не використовується, то підключати його не обов'язково. Альо, якщо Ваш мобільний телефон розрядиться або з технічних причин не буде зв'язку у мобільного оператора, то можливості зняття з охорони або взяття під охорону не буде також. Тому, ми рекомендуємо встановлювати скриту кнопку для того, щоб мати можливість альтернативного взяття під охорону або зняття з охорони.

Підключення бузку відбувається наступним чином: якщо струм споживання бузку не перевищує 250 мА, то сирена під'єднується безпосередньо до виходів +PG-. Якщо струм споживання перевищує 250 мА, то рекомендовано використовувати реле. На малюнку показано, як підключити сирену напряму та з використанням релейного адаптера BS-1.

Якщо сирена не використовується, то до виводів +PG - не підключається нічого.
Після того як підключено всі дроти, треба підключити GSM-антену та SIM-картку.
Підключення GSM-антени та SIM-картки необхідно здійснювати лише при вимкненому живленні, так як будь-які дії над GSM - модулем під напругою можуть вивести його з ладу.
SIM-картка повинна бути активована, а перевірка PIN-кодом вимкнена.
КРОК 5. Підготовка для програмування
У разі, якщо конфігуратор з необхідними драйверами вже встановлений на вашій комп'ютерній комп'ютері — цей крок можна пропустити.
Для програмування необхідно інсталювати програму-конфігуратор. Скачати її можна з сайту SIG Electronics за посиланням http://www.alarmsig.com.ua/sig3.html
Після інсталяції програми необхідно встановити драйвера CP2102, що забезпечать обмін даними між приладом та програмою конфігурації.
Якщо драйвер ще не встановлений, то натисніть на синю кнопку Install CP2102 Driver, зайдіть на сайт та завантажте драйвер під Вашу операційно систему. Якщо ж драйвер вже встановлений, то кнопка інсталяції буде відсутня і тоді інсталювати драйвер не потрібно.

Після інсталяції драйвера необхідно під'єднати увімкнений SIG-3 за допомогою кабелю miniUSB.
Після того як панель з номером порту стані зеленого кольору, натисніть кнопку "SIG-3" для програмування приладу. Після цього запускається модуль конфігурації SIG-3.
Кнопки панелі інструментів модулю конфігурації SIG-3 мають наступні функції:

Створити – Створення нового файлу конфігурації;
Відкрити – Відкриває файл конфігурації;
Зберегти – Записує файл конфігурації з поточним ім'я ям на носій інформації (жорстку диск, флеш-диск, тощо);
Збер.як – Зберігає поточний файл конфігурації під новим ім'я ям;
Файли конфігурації мають розширення *. sm3 або *.smk
Прочитати – Вичитує конфігурацію з пам'яті підключеного ПСО;
Записати – Записує поточну конфігурацію в пам'ять ПСО;
Пароль – Захищає пристрій від несанкціонованого зчитування інформації. Пароль повинен складатися з 4-х цифр. Літери при введенні не допустимі. Відображається пароль при введенні - зірочками. Для того, щоб побачити введень пароль необхідно натиснути кнопку із зображенням ока, після цього на 5 секунд буде видно введень пароль.
Якщо вказана мітка √ ПАРОЛЬ, то під час запису налаштувань в пам'ять ПСО, з'явиться вікно з полем для введення пароля.
Введень у вікні запиту пароль повинен відповідати паролю вказаною в конфігураторі. Якщо паролі співпадають, то запис відбудеться, інакше програма конфігуратор сповістить про помилку запису конфігурації.
Якщо ж мітка √ ПАРОЛЬ не використовується, то запис налаштувань в пам'ять ПСО відбудеться без додаткових запитів пароля.
При зчитуванні налаштувань, якщо конфігурація була закрита паролем, то мітка √ ПАРОЛЬ також повинна бути застосована і, якщо пароль зазначений вірно – конфігурація буде вичитана.
Якщо конфігурація не захищена паролем, то мітка √ ПАРОЛЬ не використовується і конфігурація вичитується без запиту пароля.
При використанні кнопок Прочитати та Записати, якщо послідовний порт відкрився, то написи з номером порту приймає зелений колір на годину операції Читання/Запису. Після цього колір знов стає сірим. Від'єднувати miniUSB-кабель під час Читання/Запису не рекомендується, так як це може призвести до зависання або інших збоїв в роботі комп'ютера.
КРОК 6. Програмування загальних налаштувань
Закладинка ЗАГАЛЬНЕ має наступний вигляд:

Якщо опція "LINE відповідає стану охорони" не обібрана, то вхід LINE працює при цьому в тригірному режимі, тобто подія виникає при зміні стану та повернення у попередній стан. Вхід LINE повинен бути замкнутий. Якщо відбулась зміна стану входу на розімкнений на 0.5-1 сек. та повернення в замкнутий, LINE – ПСО змінює свій стан зі Знятого на Взяттів під охорону, або навпаки.
Якщо опція "LINE відповідає стану охорони" обібрана, то замикання входу - постановка під охорону, розмикання зняття з охорони. У разі, коли використаний параметр LINE OPEN, нормальним для входу LINE є розірваний стан шлейфу. Замкнення шлейфу через резистор та повернення у попередній стан формує подію Взяття під охорону або зняття з Охорони.
Зони можуть працювати в цілодобовому режимі, в режимі без затримки, або в режимі з затримкою на вхід або з затримкою на вихід. Якщо зони не є цілодобовими, то можна застосовувати наступні параметри:
Затримка на вхід - час, який дається користувачеві для того, щоб зняти ПСО з охорони після будь-якої із зон, взятих під охорону. Якщо користувач за цею годину не зніме ПСО з охорони, то увімкнеться сирена (якщо вихід PG запрограмований в режимі бузку).

Затримка на вихід - час, який дається користувачеві для того, щоб покинути приміщення, після початку відліку часу для взяття ПСО під охорону. Зміна стану зон в цей період не формують тривожних сповіщень та не спричиняють увімкнення бузку (якщо вихід PG запрограмований в режимі бузку).

Якщо час затримки на вхід або вихід дорівнює нулю, то зони працюють в режимі без затримки.
При взятті під охорону вхідним дзвінком з мобільного телефону година затримки на вихід не відраховується і постановка під охорону відбувається миттєво. Відлік часу на вихід відбувається тільки при використанні входу LINE.
Автовзяття - параметр, що дозволяє приладу автоматично взятися під охорону через 1 (3, 10, 15, 30) хвилину у випадку, якщо після зняття з охорони за вказаний час не була порушена жодна зона.
Для налаштування зон рекомендовано залишити номери зон (1,2,3) та тип зони (2,2 кОм) без змін. Якщо зона використовується, то реакцію зони треба залишити NORMAL. Якщо зона не використовується, то реакція зони винна буті UNUSED.
Коди зон встановлюються згідно стандарту CONTACT ID і для тривоги обирається код 130. Альо можна встановити й інші коду: 100 – Пожежа, 113 – затоплення, тощо. Стандартні коді CONTACT ID можна знайте в інструкції з експлуатації.
Якщо зона цілодобова, то рекомендовано встановити галочку 24h. Тоді зона буде спрацьовувати незалежно від того, під охороною SIG-3 чі знятий з охорони.
Якщо до виходу +PG - підключена сирена, то застосовується одна з двох опцій:
Охоронний прилад+Сирена - після Взяття під охорону вихід вмикається на 0.5 секунд; після Зняття з охорони вихід вмикається на 1 секунду; при появі Тривожної події вихід вмикається на запрограмований годину.
Охоронний прилад без Бузку - після Взяття під охорону вихід вмикається на 0.5 секунд; після Зняття з охорони вихід вмикається на 1 секунду. При появі Тривожної події вихід не вмикається.
КРОК 7. Програмування розсилки SMS-повідомлень
Для налаштування SMS-розсилки використовуються наступні опції:
SMS-розсилка увімкнена — опція дозволяє задіяти розсилку SMS-повідомлень для Користувачів.
Мова SMS — опція визначає мову SMS-повідомлень для Користувачів.
Баланс — опція дозволяє налаштувати запис поточного стану рахунку. Баланс відправляється лише першому Користувачу раз на добу. Для того, щоб задіяти цю опцію потрібно встановити мітку Баланс та задати номер запиту стану рахунку. Праворуч від поля запиту є кнопка, яка дозволить вибрати номер запиту для потокового оператору мобільного зв'язку.
Розсилка SMS-повідомлень можлива для 4-х Користувачів.

Ім'я — Ім'я користувача, яке надоходить у SMS-повідомленні при продіях Взяття під охорону, Зняття з охорони, Неможливість взяття під охорону. Поле може складатись з літер кирилиці або латиниці і мати довжину не більш ніж 6 символів.
Телефон — номер телефону, на який відправляється SMS-повідомлення. Номер вводитися в наступному форматі: +(код країни) мобільний номер.
SMS-повід. — якщо мітка зазначена, то розсилка SMS-повідомлень відбувається. Якщо ж мітка не зазначена, а мобільний номер Користувача завдань, то на цей номер не будутть надходити повідомлення, альо з цього номера можливе Взяття під охорону або Зняття з охорони.
Ця опція має декілька додаткових опцій, які дозволяюь налаштувати сценарії повідомлень, які потрібно надістали Користувачу:
- Тривоги — надсилаються тривожні новини.
- Аварії — надсилаються наступні події: несправність основного живлення 220В, несправність акумулятора.
- Взяття/Зняття — надсилаються новини Взяття під охорону, Зняття з охорони, Неможливість взяття під охорону.
- Дод.дзвінок — додатковий дзвінок. Після відправки SMS-повідомлень Користувачам, якщо серед повідомлень була інформація про тривожну подію, то ПСО здійснить додатковий дзвінок на номер Користувача.
Програмув. - опція відповідає за дистанційне програмування Користувачем з мобільного телефону. На даний момент функція зарезервована.
Використовуючі ці прості поради дуже легко підключити, налаштувати охоронний пристрій SIG-3 та користуватись ним у повсякденному житті. Безпеки Вас та для Вашого майна!



